4 Quadrant Regenerative AC Grid Simulator
4 Quadrant Regenerative AC Electronic Load
Regenerative DC Bidirectional Source and Sink
Get ready to meet the All-in-One solution in our Rack Series: the GE&EL AC/DC SiC-RS from cinergia sic. This high-efficiency converter has been meticulously designed for R&D, validation and End-of-Line (EoL) testing in electromobility, EV charging infrastructures, Vehicle-to-Grid, smart grids, distributed energy resources, Power Hardware in the Loop, battery testing, aerospace and more.
This advanced system works as a regenerative dc bidirectional source and sink, while also functioning as a flexible grid simulator for modern testing environments.
The GE&EL AC/DC SiC-RS sets a new benchmark in performance, reliability and quality. Leveraging the latest cinergia sic technology, this unit significantly reduces switching losses in a compact design, making it ideal where space and efficiency are critical. It can also operate as a regenerative grid simulator and Regenerative AC Electronic Load for comprehensive AC/DC testing.


Electric Vehicle Supply Equipment is designed to charge EV batteries in AC or DC. In AC applications, the On Board Charger converts AC into DC, supported by this ac grid simulator capability.

V2G enables EVs to interact with the grid, allowing bidirectional energy transfer. This is where the system acts as a regenerative dc bidirectional source and sink, balancing demand and supply.

The integration of EV to the grid creates new applications as vehicle to home/ building, vehicle to load, vehicle to vehicle, etc... included in V2X





Smart grids require power electronics and ICT (Information and Communication Technology) to manage energy flows and ensure the quality and continuity of the electric supply.
Our units powered by cinergia sic, can emulate the electrical behaviour of a variety of elements connected to a Smart Grid or Microgrid: the utility grid itself, distributed energy resources (Photovoltaic, Wind Plants...), loads (houses, buildings) or bidirectional devices such as ESS or smart EV chargers. This makes them ideal as a Regenerative AC Grid Simulator.
SUITABLE PRODUCTS
GE AC/DC for voltage or DC
EL AC/DC for current or DC
GE&EL AC/DC for non-simultaneous use
(suitable in all applications)
Real Time Simulation Systems and Power Converters are converging in the field known as Power Hardware in the Loop (PHiL) in which a real world system is simulated on a real-time basis and then emulated: converted in real voltage, current and power.
The Rack Series can be used in Power Amplifier mode, which transforms the reference signal generated by the real time simulator into a voltage or current waveform, enhancing its role as a high-performance grid simulator.
SUITABLE PRODUCTS
GE AC/DC for voltage or DC
EL AC/DC for current or DC
GE&EL AC/DC for non-simultaneous use
(suitable in all applications)


Energy storage systems (ESS) typically involve three components:
(1) an electrical grid for importing and exporting energy
(2) a DC storage system
(3) loads or a microgrid that integrates both generation and consumption.
With extensive expertise, we provide complete testing solutions using this regenerative dc bidirectional source and sink, ensuring efficient validation of renewable and storage systems.
SUITABLE PRODUCTS
GE AC/DC for voltage or DC
EL AC/DC for current or DC
GE&EL AC/DC for non-simultaneous use
(suitable in all applications)
CINEINA is the software user interface supplied with every CINERGIA device, fully developed by our R&D team to provide full control over the unit.
Its intuitive and user-friendly design allows to efortlessly use the device’s multiple functionalities, ensuring a minimal learning curve for both new and experienced users.

The Supervision tab offers comprehensive oversight of the unit’s operation. All data is logged and graphed to monitor performance and ensure optimal functionality.
The Supervision window can be undock into a different screen for better overall control.

Record and track the unit’s operation during testing with the Plots tab. This function is embedded in the unit and does not require any external devices or an internet connecton.
All activity data is saved in convenient .csv files, ready for immediate plotting or download for later in-depth analysis.

As a grid simulator, the device can be controlled in 1 Channel mode where the 3 output phases are internally short-circuited, in order to be suitable for single phase applications.
Contact us for power derating in AC 1 Channel Mode. No power derating in AC 3 Channel or DC.

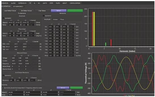
Each phase can be independently configured: RMS current, frequency, phase delay, harmonics distortion, as well as the ramps associated with each mentioned variable. The expected waveform is plotted, the FFT is represented and the numeric data shown: RMS, peak, CF and THD.

The CINEINA software allows the generation of sub harmonics, interharmonics and high frequency harmonics up to the 50th, setting both magnitud and phase delay. Harmonic sequences can be saved and loaded as .csv files to ease testing standarization.

The AC fault panel is a powerful yet intuitive editor which allows generation of distorted waveforms: flicker, voltage dip, frequency and voltage variations... Specific profiles can be saved in .csv f iles, modified and reused by importing an existing one.

The DC Unipolar/Bipolar panel is where the setpoints and limits are Each of the 3 channels can work simultaneously in a different Operation Voltage, Resistance, Emulation, Current, Battery PV Emulation... Transition ramps, voltage and current limits can be adjusted individually to ensure safe testing, particularly in battery applications.

CINEINA includes a Test Editor with the purpose of designing and/or importing automated sequence tests, which can later be exported as .csv files. A smart datalogger can be set to automatically save voltage, current and power measurements with a 400ms time resolution.


Enabling the Separated Channel Control converts the device in three functionally independent DC Bidirectional Power Supplies, sharing the common negative rail. Each channel can have a different status (ON, OFF, Warning, Alarm), Operation Mode (see Range and Specifications table), Setpoint, Ramp and Limits.


An integrated software designed for testing charge/ discharge battery cycles. Thanks to the Multichannel, 3 batteries or battery packs can be tested simultaneously. Test parameters such as charge/ discharge current, float, boost voltage, number of cycles... can be adjusted for monthslong tests.


The unit incorporates a mathematical model in order to emulate the behaviour of real batteries or battery packs. Defining the characteristic parameters enables the simulation of different battery technologies (LiIon, NiMH, NiCd, Pb...).
All within one unit!


Based on a single-diode equivalent circuit, the PV Emulation mode allows the virtual simulation of solar arrays. The PV Panel characteristic parameters, string configuration, irradiance and temperature values can be defined or exported from a .csv f ile for flexible testing.

The cumulative expertise of CINERGIA has been condensed into this compact unit that simultaneously excels in robustness, efficiency and cutting-edge technology for optimal performance.
The compatibility of the Rack Series with universal rack cabinets sets a new standard for space efficiency, modularity, and scalability, resulting in high versatility and easy integration into a comprehensive testing environment.


Local control of the unit is easier than ever with the new 7-inch display, the bigger and brighter of its kind.
The LCD provides access to all functionalities of the unit without the need of a computer or ethernet connection: start/stop/ reset, channel configuration, running test sequences, plotting and datalogging.
Analog & digital IO and the open MODBUS/TCP protocol are provided for seamless integration into automated test lines.


Transitioning to SiC technology results in an increased switching frequency of the converter, which translates into higher dynamics, faster transients and enhanced performance, making it the perfect candidate for EoL enviroments, R+D, Validation and Power Hardware in The Loop (PHiL) testing.
The faster switching time of the SiC MOSFETS reduces the current-voltage crossover duration, and therefore the losses at each commutation, improving overall efficiency.
Smart grids require power electronics and ICT (Information and Communication Technology) to manage energy flows and ensure the quality and continuity of the electric supply. Our units can emulate the electrical behaviour of a variet y of elements connected to a Smart Grid or Microgrid: the utility grid itself, distributed energy resources (Photovoltaic, Wind Plants...), loads (houses, buildings) or bidirectional devices such as ESS or smart EV chargers.


Real Time Simulation Systems and Power Converters are converging in the field known as Power Hardware in the Loop (PHiL) in which a real world system is simulated on a real-time basis and then emulated: converted in real voltage, current and power.
The Rack Series can be used in Power Amplifier mode, which transforms the reference signal generated by the real time simulator into a voltage or current waveform.
Energy storage systems (ESS) typically involve three components:
(1) an electrical grid for importing and exporting energy
(2) a DC storage system
(3) loads or a microgrid that integrates both generation and consumption.
With our extensive experience in this field, we provide comprehensive testing solutions for these systems.


The GE&EL AC/DC SiC-RS is a bi-directional, regenerative AC/DC electronic load and grid simulator designed to test, simulate, and validate renewable energy systems, inverters, EV components, and power electronics under realistic grid and load conditions.
